Versione italiana o inglese della scheda 

 
1560GL - MANDRINI PORTA-PINZE ER CENTRO P AD ALTISSIMA QUALITA' PER ELEVATE VELOCITA' - Prod. SCU - Orig. Fahrion1560GL - MANDRINI PORTA-PINZE ER CENTRO P AD ALTISSIMA QUALITA' PER ELEVATE VELOCITA' - Prod. SCU - Orig. Fahrion

Salva foto in alta risoluzione

   

 Stampa la scheda
 Invia la scheda

 Apri la pagina del catalogo
 Vai ai prodotti di pag.

Prodotto precedente Prodotto precedente
Prodotto successivo Prodotto successivo

1560GL  

Prod. SCU - Orig. Fahrion

 

MANDRINI PORTA-PINZE ER CENTRO P AD ALTISSIMA QUALITA' PER ELEVATE VELOCITA'

high quality pinchers holder chucks with locking collar

Per pinze elastiche DIN 6499 | Per pinze elastiche ISO 15488 | DIN 6535 | DIN 69893-A-E

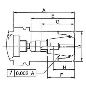
MANDRINI HSK DIN 69893/A-E PORTA-PINZE TIPO ER

Per pinze ER DIN 6499/ISO 15488, CON Ø SERRAGGIO A MISURA INTERA. Per attacchi DIN 6535 anche con lubrificazione interna. Di altissima precisione, ad altissima tenuta, garantiscono la massima centratura di utensili come frese, punte, svasatori, alesatori, bareni ecc. con i più alti momenti torcenti. La perfetta esecuzione della ghiera a filetto trapezoidale e a doppia guida lunga garantisce la massima centratura, l'ottimale precisione di rotazione e ripetibilità, l'ideale tenuta e la facile sostituzione delle pinze.
Utilizzati in combinazione con le pinze orig. Fahrion Art. 1561 GL-N assicurano una precisione del sistema minore o uguale a 8 µm.

Attacco HSK-A63 secondo norme DIN 69893/A-E.
Grado di bilanciamento G 6,3 a giri 20000 1/min.

I mandrini vengono forniti senza ghiere e senza anelli di tenuta.
Per ghiere e anelli ved. Art. 1560 GPA-B-C-E.
La quota E si riferisce a utensili con attacco inferiore o uguale a 16 mm.
La quota F si riferisce a utensili con attacco maggiore a 16 mm.{PB}

 Aggiungi al carrello  

NoteCod. Art.Cad.Cod. Prod.Tipo
Capacità serraggio Ø
mm
Quota D
mm
Quota A
mm
Quota E
mm
Quota F
mm
Per pinze Art.
GiacenzaPeso ArtQTAMIN
In eliminazione 1560GL 32€ 213,00 322-205010071451561 GN31,280
 

News